全國服務熱線
18823672556
現在的模具行業也是比較難做的了,市場的大環境不好,整個行業當中的利潤也不高,但是經過這一段時間的疫情,中國成為了世界工廠的事實幾乎已經成為定數在哪個時候,模具行業,一定會迎來一個新的快速發展的新時機,模具精雕機也會在將來大放異彩。數控精雕機廠家模具精雕機鑫騰輝數控價格咨詢電話139-234-13250。

機床特點:


雙區分離設備設計——將加工區域和電器區設計為兩個獨立區域,互不干涉。機床維護清理十分便利,同時延長精密電器組件的使用壽命,延緩線路老化。
大功率電主軸——根據用戶實際加工需求,可選裝高達8.0KW的超大功率主軸。采用法蘭盤式結構,主軸剛性更好、運行更穩定、加工更有力。

重載機身——采用低重心,高強度米漢那級鑄鐵打造的優質機身,承載能力更強、機床抑振性能更優、加工效果更佳。

機床功能:

自動換刀系統(選配):本機可選裝自動換刀系統,該系統具備高速自動換刀功能,換刀速度快且刀庫容量大,能夠有效提升加工效率,節約人力成本。
24小時不間斷運行:M650模具精雕機系列機床,針對模具加工的特點優化了機床的散熱和潤滑系統,即使是持續的高強度加工,機床依舊能夠輕松應對。
精密自動對刀:只需一鍵操作,即可完成刀具的自動對刀,方便快捷。
產品實拍圖:





模具精雕機的應用:

M650模具精雕機是一臺專為精密模具加工設計的機床,又稱“模具雕銑機”。模具精雕機相對加工中心來說具有更高的加工精度和更佳的表面光潔度,很多時候與加工中心配合使用。模具是CNC加工中最為常見的一類,有塑膠模、硅膠模、沖壓模、鞋模、刀模等等,采用M650模具精雕機即可實現對此類產品的精密加工。
塑膠模具
塑膠模具主要是指用于注射、壓塑、吹塑、擠塑、吹塑以及低發泡成型的復合模具的統稱。利用凸、凹兩種模具及輔助成型系統的相互作用,就能制造出不同尺寸規格的塑膠制品。塑膠模具發展的比較早,盡管近些年模具行業的發展處于低谷期,但是很多時候人們還是要采用這種制造手段來實現產品的批量化生產。
紫銅電極
紫銅電極是模具制造過程中又一個關鍵環節,就是人們通常所說的“銅公”。對于一些不能直接通過CNC加工成型的模具構造,往往就要借助銅公來實現,通過紫銅電極在火花機上放電,來實現你所需要的構型。M650模具精雕機可以加工各類高精密銅公。
手板治具
手板治具這一領域使用模具精雕機在幾年前是比較少見的,隨著近幾年手板治具對精度以及材料的要求都不斷提升,使得現在很多的手板廠商都開始采用模具精雕機來加工,這樣能夠大大提升產品的加工精度以及加工效果。
刀模
刀模是一種比較特殊的模具制品,通過它的名字可以看出,這是一種用于切割的模具,刀模在制鞋領域應用較多。首先采用模具精雕機在特殊的模具鋼料上加工出鋒利的刀鋒,然后再將它安置在相關設備上,再通過設備施加足夠的壓力,達到對皮革等材料切削的目的。刀模的主要用戶目前主要集中在福建地區。

聯系方式:

東莞市望輝機械有限公司
聯系人:許先生
聯系電話:139 234 13250
廠址:東莞市大朗鎮犀牛陂村瓦窯街35號
網址:m.hofine.cn

給大家帶來最簡單實用、也是最基本的加工中心對刀。
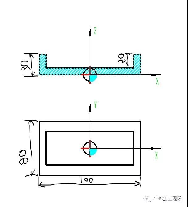
如圖內輪廓型腔零件圖,采用尋邊器對刀,其詳細步驟如下:
( 1 ) X 、 Y 向對刀
①將工件通過夾具裝在機床工作臺上,裝夾時,工件的四個側面都應留出尋邊器的測量位置。
②快速移動工作臺和主軸,讓尋邊器測頭靠近工件的左側;
③改用微調操作,讓測頭慢慢接觸到工件左側,直到尋邊器發光,記下此時機床坐標系中的 X 坐標值, 如 -310.300 ;
④抬起尋邊器至工件上表面之上,快速移動工作臺和主軸,讓測頭靠近工件右側;
⑤改用微調操作,讓測頭慢慢接觸到工件左側,直到尋邊器發光,記下此時機械坐標系中的 X 坐標值,如 -200.300 ;
⑥若測頭直徑為 10mm ,則工件長度為 -200.300-(-310.300)-10=100 ,據此可得工件坐標系原點 W 在機床坐標系中的 X 坐標值為 -310.300+100/2+5= -255.300 ;
⑦同理可測得工件坐標系原點 W 在機械坐標系中的 Y 坐標值。
( 2 ) Z 向對刀
①卸下尋邊器,將加工所用刀具裝上主軸;
②將 Z 軸設定器(或固定高度的對刀塊,以下同)放置在工件上平面上;
③快速移動主軸,讓刀具端面靠近 Z 軸設定器上表面;
④改用微調操作,讓刀具端面慢慢接觸到 Z 軸設定器上表面,直到其指針指示到零位;
⑤記下此時機床坐標系中的 Z 值,如 -250.800 ;
⑥若 Z 軸設定器的高度為 50mm ,則工件坐標系原點 W 在機械坐標系中的 Z 坐標值為 -250.800-50-( 30-20)=-310.800 。
( 3 )將測得的 X 、 Y 、 Z 值輸入到機床工件坐標系存儲地址中( 一般使用 G54-G59 代碼存儲對刀參數 )。
4、注意事項
在對刀操作過程中需注意以下問題:
( 1 )根據加工要求采用正確的對刀工具,控制對刀誤差;
( 2 )在對刀過程中,可通過改變微調進給量來提高對刀精度;
( 3 )對刀時需小心謹慎操作,尤其要注意移動方向,避免發生碰撞危險;
( 4 )對刀數據一定要存入與程序對應的存儲地址,防止因調用錯誤而產生嚴重后果。
二、刀具補償值的輸入和修改
根據刀具的實際尺寸和位置,將刀具半徑補償值和刀具長度補償值輸入到與程序對應的存儲位置。
需注意的是,補償的數據正確性、符號正確性及數據所在地址正確性都將威脅到加工,從而導致撞車危險或加工報廢。